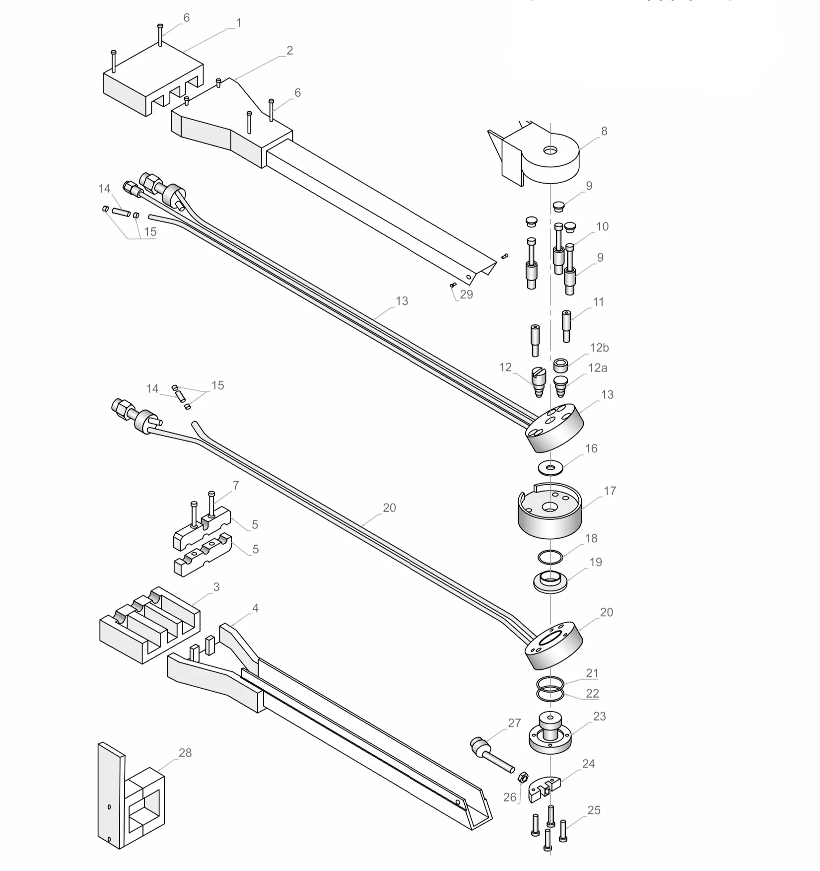
Конструкция плазмотрона F1 разработана и сконструирована специально для нанесения покрытий на внутренние поверхности деталей с диаметром от 75 мм и на глубину до 495 мм. Специальный материал корпуса позволяет производить напыления избегая влияния электрических полей на процесс наплавки. Данная модификация так же позволяет производить напыления при угле плазменной струи в 45˚ относительно корпуса плазмотрона.
| Номер на схеме | Артикул | Наименование | Артикул по METCO | Артикул по FST | Артикул по Clerici | |
|---|---|---|---|---|---|---|
| 1 | IRS-00106150 | F1-45-495 Модуль катода | Rear section complete | 1003750 | 301.012-01 | - |
| 1 | IRS-00106151 | F1-45-600 Модуль катода | Rear section complete | - | - | CE-001834 |
| 1 | IRS-00106152 | F1-45-700 Модуль катода | Rear section complete | - | - | CE-001835 |
| 1 | IRS-00106153 | F1-45-750 Модуль катода | Rear section complete | - | - | CE-001836 |
| 1 | IRS-00106154 | F1-45-1000 Модуль катода | Rear section complete | - | - | - |
| 2 | IRS-00106155 | F1-45-495 Модуль анода | Front section | 1003749 | 301.015-01 | - |
| 2 | IRS-00106156 | F1-45-600 Модуль анода | Front section | - | - | CE-001831 |
| 2 | IRS-00106157 | F1-45-700 Модуль анода | Front section | - | - | CE-001832 |
| 2 | IRS-00106158 | F1-45-750 Модуль анода | Front section | - | - | CE-001833 |
| 2 | IRS-00106159 | F1-45-1000 Модуль анода | Front section | - | - | - |
| 3 | IRS-00106058 | F1 Кожух нижний | Shell for F1-45 | 1003629 | 301.001-01 | CE-002224 |
| 4 | IRS-00106059 | F1 Кожух верхний | Shell for F1-45 | 1003629 | 301.001-01 | CE-002225 |
| 5 | IRS-00106060 | F1 Изолятор | Intermediate section complete | 1003754 | 301.014-00 | CE-001376 |
| 6 | IRS-00106061 | F1 Распределитель газа | Gas distribution ring | 1003634 | 301.013 | CE-001377 |
| 7 | IRS-00106062 | F1 Держатель инжектора | Injector support standard | 1003636 | 301.022 | CE-001812 |
| 8 | IRS-00106063 | F1 Штифт изолирующий | Centering pin | 1003640 | 3001.009 | CE-001381 |
| 9 | IRS-00106064 | F1 Втулка изолирующая | Insulating sleeves and covers | 1003624 | 301.007 | CE-001382 |
| 10 | IRS-00106065 | F1 Вкладыш изолирующий | - | - | CE-001809 | |
| 11 | IRS-00106066 | F1 Заглушка изолятора | - | - | - | |
| 12 | IRS-00106149 | F1-45 Кожух защитный | Cover | 1003751 | 301.002-01 | CE-001383 |
| 13-14 | IRS-00106170 | F1-45-495 Набор. Короб нижний + верхний | - | - | CE-001372 + CE-001371 | |
| 13-14 | IRS-00106171 | F1-45-600 Набор. Короб нижний + верхний | - | - | CE-001843 + CE-001840 | |
| 13-14 | IRS-00106172 | F1-45-700 Набор. Короб нижний + верхний | - | - | CE-001844 + CE-001841 | |
| 13-14 | IRS-00106173 | F1-45-750 Набор. Короб нижний + верхний | - | - | CE-001845 + CE-001842 | |
| 13-14 | IRS-00106174 | F1-45-1000 Набор. Короб нижний + верхний | - | - | - | |
| 15 | IRS-00106078 | F1 Обойма нижняя | Holder | 1003633 | 301.006 | CE-002223 |
| 16 | IRS-00106083 | F1 Обойма верхняя | Holder | 1003633 | 301.006 | CE-002222 |
| 17 | - | Шайба | - | - | - | |
| 18 | - | Винт | Socket head cap screw for holder | - | 301.029 | CE-002039 |
| 19 | - | Винт | - | - | - | |
| 20 | - | Винт | Nozzle screws, M3x10 | 1003521 | 301.023 | CE-001824 |
| 21 | - | Винт | - | - | CE-001823 | |
| 22 | - | Винт | Socket head cap screw | - | 301.028 | CE-001817 |
| 23 | - | Винт | - | - | - | |
| 24 | - | Винт | Screws, M3x6 | - | 301.003 | CE-001821 |
| 25 | - | Гайка | Locknut, M5 | - | 301.021 | - |
| 26 | IRS-00104418 | F1 Сопло, 5 мм | Nozzle, 5 mm | 1003621 | 301.018 | - |
| 26 | IRS-00104417 | F1 Сопло, 6 мм | Nozzle, 6 mm | 1003743 | 301.019 | CE-001749 |
| 27 | IRS-00104411 | F1 Электрод вставной | Electrode, plug type | 1003742 | 301.010-01 | CE-001757 |
| 27 | IRS-00104413 | F1 Электрод винтовой | Screw for electrode | 1003747 | 301.011 | - |
| 28 | IRS-00106192 | Инжектор Ф1,5 мм гнутый с гайкой | Powder injector 1.5 mm | 1003758 | 380.004 | CE-000760 |
| 28 | IRS-00106193 | Инжектор Ф1,8 мм гнутый с гайкой | Powder injector 1.8 mm | 1003760 | 380.005 | CE-000761 |
| 28 | IRS-00106194 | Инжектор Ф2,0 мм гнутый с гайкой | Powder injector 2.0 mm | 1003761 | 380.006 | CE-000762 |
| 29 | IRS-00106053 | F1 Кольцо | Intermediate section complete | 1003754 | 301.014-00 | CE-001375 |
| 30 | IRS-00103677 | Кольцо уплотнительное | O-Ring, 19 x 1.5 mm | 1003626 | 301.017 | CE-001046 |
| 31 | IRS-00103678 | Кольцо уплотнительное | Intermediate section complete | 1003754 | 301.014-00 | CE-001848 |
| 32 | IRS-00103676 | Кольцо уплотнительное | O-Ring, 18 x 2 mm | 1003745 | 301.016 | CE-001045 |
| 33 | IRS-00106021 | Шланг | Connecting hose | 1003510 | 301.005 | - |
| 34 | - | Хомут | Connecting hose clamp | 1003509 | 301.004 | - |
Опциональными принадлежностями для плазмотрона являются:
- приспособление для вытягивания сопла
- кронштейн для крепления плазмотрона
- держатели инжекторов
- инжекторы
- электроды
- сопла
Специалисты компании ООО «Интеллектуальные робот системы» всегда готовы проконсультировать Вас по необходимой комплектации для решения вашей производственной задачи.
Условия и способы оплаты
Мы предоставляем гибкие условия расчетов, учитывающие специфику каждой сделки, чтобы обеспечить удобство и надежность сотрудничества.
Оплата осуществляется безналичным банковским переводом на основании выставленного счета.
При наличии оборудования на складе
Если требуется монтаж оборудования
90% — предоплата при заключении договора.
10% — по факту готовности оборудования к отгрузке со склада в Москве.
Если монтаж оборудования не требуется
100% — предоплата при заключении договора.
Примечание: Возможны индивидуальные условия оплаты. Мы всегда открыты для обсуждения!
При поставке оборудования под заказ
Если требуется монтаж оборудования
50% — предоплата при заключении договора, что гарантирует бронирование производства под ваш заказ.
40% — по факту готовности оборудования к отгрузке со склада в Москве.
10% — после успешного ввода оборудования в эксплуатацию на вашем производстве.
Если монтаж оборудования не требуется
50% — предоплата при заключении договора, что гарантирует бронирование производства под ваш заказ.
50% — по факту готовности оборудования к отгрузке со склада в Москве.
Примечание: Возможны индивидуальные условия оплаты в зависимости от типа оборудования и сроков поставки. Мы всегда открыты для обсуждения!
Помощь в получении субсидии
Детали по телефону.
Почему выбирают нас?
- Индивидуальный подход. Мы разрабатываем уникальные условия для каждого клиента, учитывая специфику бизнеса.
- Прозрачность. Вы всегда будете знать, на каком этапе находятся изготовление и поставка оборудования.
- Экспертная поддержка. Наши специалисты готовы ответить на любые вопросы, связанные с условиями оплаты, лизинга или субсидии, а также подсказать, как получить максимальную выгоду от сделки.
- Комплексное сопровождение. Мы берем на себя все задачи по оформлению и согласованию документации, чтобы вы могли сосредоточиться на развитии вашего бизнеса.
Готовы сделать первый шаг?
Мы стремимся сделать процесс получения оборудования максимально удобным и доступным для вас. Вы можете выбрать наиболее подходящий способ доставки из предложенных вариантов.
1. Самовывоз с нашего склада
Самовывоз — это быстрый и экономичный способ для тех, кто предпочитает самостоятельно организовывать доставку.
Вы можете самостоятельно забрать оборудование с нашего склада по адресу: г. Москва, ул. Южнопортовая, д. 21, стр. 8.
Наш склад удобно расположен, что облегчает планирование логистики.
2. Доставка нашим автотранспортом
Этот вариант удобен для клиентов, которым важно минимизировать затраты времени и получить оборудование «до дверей».
Мы предлагаем доставку до вашего адреса собственным автотранспортом.
Преимущества:
- Полный контроль за сохранностью груза и точные сроки доставки.
- Подходит для любых категорий оборудования, включая крупногабаритные и тяжелые станки.
- Наши специалисты обеспечат аккуратную погрузку и доставку.
3. Доставка через транспортные компании
Доставка через транспортные компании — это надежный и экономичный способ получения оборудования для клиентов из других регионов.
Мы сотрудничаем с надежными транспортными компаниями, чтобы доставить ваше оборудование в любой регион.
Особенные условия:
Бесплатная доставка до терминала ТК «Деловые Линии» в Москве.
Вы оплачиваете только межтерминальную доставку до вашего города, что позволяет сократить расходы.
Преимущества:
Возможность выбора любой удобной транспортной компании.
Мы подготовим груз к транспортировке, включая упаковку и оформление всех сопроводительных документов.
Почему выбирают нас?
- Гибкость. Несколько вариантов доставки позволяют выбрать удобный способ в зависимости от ваших потребностей.
- Прозрачность. Мы заранее обсуждаем все условия по доставке и фиксируем их в договоре.
- Надежность. Весь процесс отгрузки и доставки организован профессионально, с заботой о сохранности вашего оборудования.
