Назначение
Токарный станок с наклонной станиной предназначен для высокоточной получистовой и чистовой обработки деталей типа валов, дисков и втулок.
Оборудование поддерживает широкий спектр механических операций, включая точение наружных поверхностей, расточку отверстий, обработку конических и криволинейных внутренних поверхностей, нарезание наружной и внутренней резьбы, обработку дуг и разворачивание отверстий.
Преимущества
- Жесткая цельнолитая станина с углом наклона 45°
- Высокие показатели по точности и повторяемости
- Телескопическая защита направляющих по осям
- ШВП от THK (Япония) класса точности C3
Конструктивные особенности
Станина
Монолитная наклонная станина с углом 45° обладает высокой жесткостью и виброустойчивостью, что способствует равномерному распределению нагрузки во время обработки. Такая конструкция облегчает настройку и регулировку станка, а также ускоряет удаление стружки, снижая время простоя и повышая общую производительность.
Точное ручное шабрение контактных поверхностей суппортов, передней и задней бабки в местах соединения со станиной обеспечивает долговечную точность обработки и снижает износ рабочих поверхностей.
Точный анализ методом конечных элементов и технология динамической оптимизации.
Шпиндель
Высокоскоростная шпиндельная бабка спроектирована с учетом минимизации тепловых деформаций, обеспечивая высокую точность обработки. В конструкции используются прецизионные подшипники NSK (Япония), что повышает надежность и долговечность узла.
Задняя бабка
Задняя бабка с сервоприводом позволяет регулировать скорость перемещения и прижимное усилие в соответствии с требованиями заготовки, обеспечивая быстрое, но плавное соприкосновение без удара.
Линейные направляющие и шарико-винтовая передача
Используется высококачественный шарико-винтовые передачи класса C3 и направляющая класса H, приводимые в движение серводвигателем, для обеспечения высокой точности работы.
Револьверная головка
Станок комплектуется сервоуправляемой револьверной головкой, рассчитанной на 8 инструментов (с возможностью расширения до 12), что обеспечивает быстрые и точные смены инструмента. Благодаря усиленной конструкции головка отличается высокой жесткостью, надежностью фиксации и высокой повторяемостью позиционирования, что критично для сложной и серийной обработки.
Системы подачи СОЖ через револьверную головку (Опция)
Вспомогательный шпиндель
Опциональный вспомогательный шпиндель расширяет возможности станка, позволяя выполнять многозадачную обработку в одном цикле. Это повышает производительность, снижает необходимость в переналадке и ускоряет выпуск готовых деталей.
Перемещение
| Модель | T5.1-100Q | T5.1-500Q | T5-500Q | T5-1000Q | T5-500S | T5-1000S |
| A, мм | 145 | 160 | 200 | 200 | 200 | 200 |
| B, мм | 205 | 560 | 560 | 1050 | 560 | 1025 |
| C, мм | 280 | 310 | 390 | 390 | 390 | 390 |
| D, мм | 163 | 519 | 510 | 1010 | 510 | 970 |
| E, мм | 7 | 7 | 7 | 7 | 7 | 7 |
| F, мм | 5 | 5 | 5 | 5 | 5 | 5 |
| G, мм | 169 | 210 | 210 | 210 | 254 | 254 |
| H, мм | 163 | 140 | 140 | 140 | 158 | 158 |
| I, мм | 39.5 | 39.5 | 39.5 | 43 | 43 | |
| J, мм | 5 | 2 | 5 | 5 | 5 | 5 |
| K, мм | – | 400 | 500 | 950 | 450 | 870 |
| T, мм | – | 0 | 0 | 0 | 0 | 0 |
Взаимодействие оснасток
8-ми позиционной револьверной головки
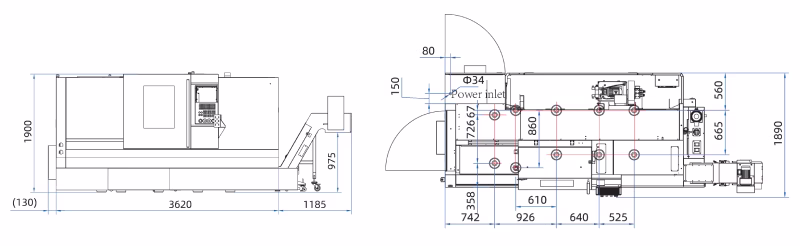
Размеры станка
Диаграммы крутящего момента и мощности шпинделя
Стандартная комплектация
- Контроллер FANUC-0i-TF Plus(5)
- Шпиндель гильзового типа
- Полый патрон и цилиндр
- 8-позиционная револьверная головка
Опции
- 12-позиционная револьверная головка
- Мощная башня
- Конвейер для стружки
- Пневматическая дверь
- Устройство обнаружения инструмента
- Устройство измерения заготовки
- Уловитель масляного тумана
- Устройство контроля поломки инструмента
Область применения
Производство обойм подшипников
Изготовление шестерен
Изготовление деталей автомобилей
Машиностроение
Условия и способы оплаты
Мы предоставляем гибкие условия расчетов, учитывающие специфику каждой сделки, чтобы обеспечить удобство и надежность сотрудничества.
Оплата осуществляется безналичным банковским переводом на основании выставленного счета.
При наличии оборудования на складе
Если требуется монтаж оборудования
90% — предоплата при заключении договора.
10% — по факту готовности оборудования к отгрузке со склада в Москве.
Если монтаж оборудования не требуется
100% — предоплата при заключении договора.
Примечание: Возможны индивидуальные условия оплаты. Мы всегда открыты для обсуждения!
При поставке оборудования под заказ
Если требуется монтаж оборудования
50% — предоплата при заключении договора, что гарантирует бронирование производства под ваш заказ.
40% — по факту готовности оборудования к отгрузке со склада в Москве.
10% — после успешного ввода оборудования в эксплуатацию на вашем производстве.
Если монтаж оборудования не требуется
50% — предоплата при заключении договора, что гарантирует бронирование производства под ваш заказ.
50% — по факту готовности оборудования к отгрузке со склада в Москве.
Примечание: Возможны индивидуальные условия оплаты в зависимости от типа оборудования и сроков поставки. Мы всегда открыты для обсуждения!
Помощь в получении субсидии
Детали по телефону.
Почему выбирают нас?
- Индивидуальный подход. Мы разрабатываем уникальные условия для каждого клиента, учитывая специфику бизнеса.
- Прозрачность. Вы всегда будете знать, на каком этапе находятся изготовление и поставка оборудования.
- Экспертная поддержка. Наши специалисты готовы ответить на любые вопросы, связанные с условиями оплаты, лизинга или субсидии, а также подсказать, как получить максимальную выгоду от сделки.
- Комплексное сопровождение. Мы берем на себя все задачи по оформлению и согласованию документации, чтобы вы могли сосредоточиться на развитии вашего бизнеса.
Готовы сделать первый шаг?
Мы стремимся сделать процесс получения оборудования максимально удобным и доступным для вас. Вы можете выбрать наиболее подходящий способ доставки из предложенных вариантов.
1. Самовывоз с нашего склада
Самовывоз — это быстрый и экономичный способ для тех, кто предпочитает самостоятельно организовывать доставку.
Вы можете самостоятельно забрать оборудование с нашего склада по адресу: г. Москва, ул. Южнопортовая, д. 21, стр. 8.
Наш склад удобно расположен, что облегчает планирование логистики.
2. Доставка нашим автотранспортом
Этот вариант удобен для клиентов, которым важно минимизировать затраты времени и получить оборудование «до дверей».
Мы предлагаем доставку до вашего адреса собственным автотранспортом.
Преимущества:
- Полный контроль за сохранностью груза и точные сроки доставки.
- Подходит для любых категорий оборудования, включая крупногабаритные и тяжелые станки.
- Наши специалисты обеспечат аккуратную погрузку и доставку.
3. Доставка через транспортные компании
Доставка через транспортные компании — это надежный и экономичный способ получения оборудования для клиентов из других регионов.
Мы сотрудничаем с надежными транспортными компаниями, чтобы доставить ваше оборудование в любой регион.
Особенные условия:
Бесплатная доставка до терминала ТК «Деловые Линии» в Москве.
Вы оплачиваете только межтерминальную доставку до вашего города, что позволяет сократить расходы.
Преимущества:
Возможность выбора любой удобной транспортной компании.
Мы подготовим груз к транспортировке, включая упаковку и оформление всех сопроводительных документов.
Почему выбирают нас?
- Гибкость. Несколько вариантов доставки позволяют выбрать удобный способ в зависимости от ваших потребностей.
- Прозрачность. Мы заранее обсуждаем все условия по доставке и фиксируем их в договоре.
- Надежность. Весь процесс отгрузки и доставки организован профессионально, с заботой о сохранности вашего оборудования.
